Затвор поворотный дисковый межфланцевый чугунный Benarmo Ду 40 50 65 80 100 125 150 250 Ру16 межфл с рукояткой диск чугун манжета EPDM EURO
Гарантия - 3 года
Производство - Китай
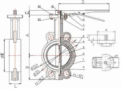
Затвор поворотный дисковый чугунный Бенармо DN40 PN16 c рукояткой применяется в качестве запорно-регулирующего устройства на трубопроводах для воды при температуре окружающей среды от -25°С до +70°С. Присоединение затворов к трубопроводу — межфланцевое с универсальными центровочными проушинами и присоединительными размерами по ГОСТ 33259-2015/EN 1092-2.
EURO - бесштифтовое соединение диска и вала, мягкая манжета.
Присоединение затворов к трубопроводу — межфланцевое, с универсальными центровочными проушинами PN10/16 и присоединительными размерами по ГОСТ 33259-2015/EN 1092-2. Тип привода: рукоятка и редуктор, у Ду400-800 предусмотрена установка электропривода непосредственно на редуктор затворов
Затвор поворотный дисковый межфланцевый чугунный Benarmo Ду 40 50 65 80 100 125 150 250 Ру16 межфл с рукояткой диск чугун манжета EPDM EURO
Гарантия - 3 года
Производство - Китай
Затвор поворотный дисковый чугунный Бенармо DN40 PN16 c рукояткой применяется в качестве запорно-регулирующего устройства на трубопроводах для воды при температуре окружающей среды от -25°С до +70°С. Присоединение затворов к трубопроводу — межфланцевое с универсальными центровочными проушинами и присоединительными размерами по ГОСТ 33259-2015/EN 1092-2.
EURO - бесштифтовое соединение диска и вала, мягкая манжета.
Присоединение затворов к трубопроводу — межфланцевое, с универсальными центровочными проушинами PN10/16 и присоединительными размерами по ГОСТ 33259-2015/EN 1092-2. Тип привода: рукоятка и редуктор, у Ду400-800 предусмотрена установка электропривода непосредственно на редуктор затворов
-
Описание
Дисковый затвор поворотный ручной чугунный Benarmo Ду 40 50 65 80 100 125 150 250 Ру16 межфл с рукояткой диск чугун манжета EPDM EURO
Диаметр условный, DN: 40
Давление условное, PN: 16
Строительная длина, мм: 33
Крутящий момент, Н*м: 20
Температура рабочей среды, °C: 0 ... +130
Управление: Рукоятка
Длина рукоятки, мм: 215
Особенность конструкции: EURO
Тип присоединения: Межфланцевый
Материал корпуса: Чугун GGG50
Материал запорного элемента: Чугун GGG50
Материал уплотнения: EPDM
Материал рукоятки: Чугун GGG50
Материал штока: Нержавеющая сталь SS 420
Материал болта: Нержавеющая сталь SS 304
Материал втулки: PTFE
-
Комментарии 0
Добавить комментарий
Дисковый затвор поворотный ручной чугунный Benarmo Ду 40 50 65 80 100 125 150 250 Ру16 межфл с рукояткой диск чугун манжета EPDM EURO
Диаметр условный, DN: 40
Давление условное, PN: 16
Строительная длина, мм: 33
Крутящий момент, Н*м: 20
Температура рабочей среды, °C: 0 ... +130
Управление: Рукоятка
Длина рукоятки, мм: 215
Особенность конструкции: EURO
Тип присоединения: Межфланцевый
Материал корпуса: Чугун GGG50
Материал запорного элемента: Чугун GGG50
Материал уплотнения: EPDM
Материал рукоятки: Чугун GGG50
Материал штока: Нержавеющая сталь SS 420
Материал болта: Нержавеющая сталь SS 304
Материал втулки: PTFE

:format(png):watermark(5c1ace9e9101dae.ru.s.siteapi.org/watermark/buweklhpo9kcos0kco0408wo8cc4c0,-1,-1,0,15,none)/5c1ace9e9101dae.ru.s.siteapi.org/img/e4c5693d1c43b0c086474a5235510479cb27c8d6.jpg)